《模板工》 | 任务2 建筑识图(一)
1.常用的符号、图例
在现代化生产中,一切工程建设都离不开图纸。一般建筑工程的施工图分为建筑施工图与结构施工图两大类。建筑施工图主要说明房屋各层平面布置,立面、剖面形式,建筑各部构造等。结构施工图主要说明房屋的结构类型,结构平面布置,构件尺寸、材料和施工要求等。
1)图线
在建筑工程图中为了分清主次,绘图时必须用不同线型和不同线宽的图线绘制。表2.1是建筑、结构施工图中常用的线型。



2)比例
施工图都是经过缩小(或放大)后绘成的建筑物或零部件图,所绘制的图样大小与实物大小之比称为比例。比例应用阿拉伯数字表示,如1∶5,1∶20分别表示图线1mm长代表实物5mm长和20mm长。1张图内只用一个比例时,应将比例书写在图标内。1张图内有多个比例时,则每个图样下均应标注比例。
3)符号
图样内的符号包括索引符号、详图符号、剖切符号、连接符号等。
(1)索引符号 施工图某一局部或构件如需另画详图,应以索引符号索引,如图2.1和图2.2所示。

(2)详图符号 详图符号如图2.3所示。其中左图表示该详图与被索引图样在同一张图纸上,右图表示详图与被索引图样不在同一张图纸上。
(3)剖切符号 剖切符号由剖切位置线及剖视方向组成,用粗实线绘制,编号编写在剖视方向的端部,如图2.4所示。
(4)对称符 号对称符号表示两侧的部位,其状态、尺寸完全对称,只需绘出一半即可,如图2.5所示。

(5)连接符号 连接符号用折断线表示需连接的部位,如图2.6所示。
4)尺寸标注
图中尺寸是施工的依据,图的尺寸应书写清楚,正确无误,如图2.7所示。

5)标高
在施工图上还应标明某一部分的高度,称为标高。标高分为:
(1)绝对标高 绝对标高是以平均海平面作为大地基准面,将其高程作为计算地面地物高度的基准点(零点)。我国以青岛黄海平面为基准面。地面地物与基准点的高度差称为绝对标高。总平面图上的室外绝对标高用黑色三角形表示,如▽35.30表示该处的绝对标高为35.30m。
(2)相对标高 相对标高亦称建筑标高,是以所建房屋的首层室内地面的高度作为零点(写作±0.000)计算该房屋与它的相对高差,此高差即称为相对标高。比零点高的部位的标高称为正标高,比零点低的部位的标高称为负标高。正标高不必在数字前加“+”号,负标高要在数字前加“-”号。标高符号见图2.8。

6)定位轴线
定位轴线是用来确定房屋主要结构或构件的位置及尺寸的。平面图上定位轴线的编号横向用阿拉伯数字从左至右顺序编写,纵向轴线编号用大写拉丁字母从下而上顺序编写,如图2.9所示。

7)图例
图例是建筑施工图纸上用图形来表示一定含义的符号。
常用建筑材料图例、部分构造及配件图例见表2.2和表2.3,常用构件代号见表2.4。








建筑平面图、立面图、剖面图和详图
1)建筑总平面图
建筑总平面图是对新建筑物所在地区作水平正投影而形成的,即在地形图上把原有的建筑物、新建的建筑物,以及原有及拟建的道路、地上和地下管线、绿化等内容,按与地形图相同的比例画出来的平面图,如图2.10所示。


剖切位置示意图;(b)H平面切出平面图;(c)V平面切出剖面图
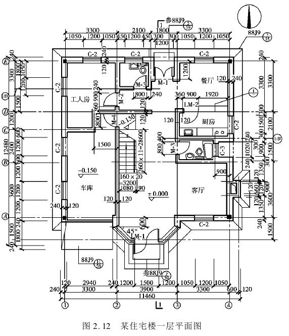
2)建筑平面图、立面图建筑平面图是假想用一个水平面,沿略高于窗台的位置剖切建筑物后将上面的部分移去,再向下俯视所见到的剖切位置图2.12某住宅楼一层平面图
在水平面上的投影图,如图2.11(b)和图2.12所示。多层房屋如各层的构造不同,则各层都应剖切,所得到的平面图也不同。

立面图是建筑物的侧视图,它反映建筑物的立面外貌,如图2.13和图2.14所示。


3)剖面图和详图
剖面图是假想用一个垂直的平面将建筑物或构件剖切,移去前面一部分,对后面一部分作正投影而得到的视图,如图2.11(c)和图2.15所示。

详图是对建筑物或构件某一部位(断面、节点等)的构造、尺寸进行详细表达的图样,如图2.16、图2.17所示。


4)读图的顺序和要领
(1)读图的顺序读图时,首先应看总说明,了解工程概况、技术要求等,然后再按顺序读图。其方法一般是:由外向里,由大到小,由粗到细,图样与说明对照看,建筑施工图与结构施工图对照看。
(2)读图的要领要尽快地熟悉图纸,必须掌握关键抓住要领,具体做法如下:
①读图时注意“四先四后”。
a.先建筑后结构:先看建筑图,然后将建筑图与结构图对照看,以核对轴线、标高、尺寸是否一致。
b.先粗后细:先看平面图、立面图和剖面图,对建筑物的总长度、轴线尺寸、标高有一个总体的印象;后看细部做法,核对总尺寸与细部尺寸是否相符,位置、标高是否正确,各种表中的规格、数据与图中相应的规格、数据是否一致。
c.先小后大:看细部做法时,先看小样后看大样。核对平面、立面和剖面图中标准的细部做法与大样图中的编号、尺寸、做法、形式是否相符,大样图是否齐全,所采用的标准构配件集编号、类型与本设计是否相符,有无遗漏之处。
d.先一般后特殊:先看一般的部位和要求,后看特殊的部位和要求。
②读图时做到“三个结合”。
a.图纸与说明相结合:读图时,要把设计总说明与图中说明结合起来看,注意图纸和说明有无矛盾,内容是否齐全,规定是否明确,要求是否具体。
b.土建与安装相结合:在熟悉土建施工图以后,也要结合看设备安装图,了解各种预埋件及预留孔洞的位置、尺寸是否相符,施工中如何配合等。
c.图纸要求与实际情况相结合:在看图时,要注意图纸与现场的实际情况是否相符,例如相对位置、场地标高、地质情况、地下水位及地下管线的情况。
③建筑平面图识读方法:
a.按照由外向内、由大到小、由粗到细的读图原则,首先了解平面图的总长、总宽、房间的功能及布置方式。然后了解纵、横轴线间的尺寸,查看承重墙及非承重墙的位置、厚度与材料。
b.查看门窗洞口尺寸、编号,并与门窗表核对。注意楼梯出入口的位置及尺寸等。
c.了解室内外设备及设施的位置尺寸。
d.核对各种平面尺寸及标高有无错误。
e.核对从平面图中引出的详图或标准图有无错误。
3.结构施工图
建筑物承受外界荷载的构件称为承重构件,如基础、承重墙、柱、梁、板、屋架、屋面板等。承重构件组成了建筑的结构体系,建筑物的结构形式主要是根据房屋基础以上部分的结构特点来区分的。从使用的材料上分,有砌体结构、钢筋混凝土结构、钢结构、木结构等;从结构的受力形式上分,有墙体承重的砖混结构、框架结构、剪力墙结构、框架剪力墙结构等。
1)基础平面图
基础平面图是假想用一个水平面沿着地面剖切整幢房屋,移去上部房屋和基础上的泥土,用正投影法绘制的水平投影图。在基础平面图上,画有剖切符号并注明断面编号。断面编号一般都用阿拉伯数字连续编号。基础各部分的断面形状、材料、构造做法(如垫层、防潮层等)及细部尺寸和埋置深度都在基础详图中表示。图2.18和图2.16分别为基础平面图和基础断面详图。

2)结构平面图
结构平面图主要表达楼面、屋面、梁、柱、墙等承重构件的平面布置,并重点表达该层楼板的结构布置形式和相关墙的平面位置。楼层的施工方式有现场浇筑和安装预制板两种,目前较多选用的施工方式是现浇。结构平面图如图2.19所示,其主要内容有以下几方面:

①墙、柱、梁等构件的位置和编号。
②楼板部分,如采用安装预制板方式,须表明预制板的型号或编号、数量,铺设的范围和方向等;如采用现浇方式,须表明现浇板的范围、厚度和配筋,留孔和洞的位置及尺寸等。
③圈梁和门窗过梁的布置、代号与编号。
④各种梁、板底面结构标高,各定位轴线间的距离。
⑤有关剖切符号、详图索引符号和其他标注代号。
⑥设计说明,如总说明中未指明的,或本楼层需要特别说明的特殊材料、尺寸或构造措施等。
3)构件结构详图
结构布置图只表示建筑物各承重构件的布置情况,至于它们的形状、大小、材料、构造和连接情况等,则需要分别画出它们的详图。
钢筋混凝土构件有定型构件和非定型构件两种。定型构件(包括预制和现浇)可以直接查阅标准图集或通用图集,不需要绘制详图。非定型构件必须绘制详图。一般钢筋混凝土梁、柱、楼梯等现浇构件都需要绘制详图。构件的结构详图如图2.17所示。
4)钢筋混凝土结构图的平面整体表示法建筑结构施工图的平面整体表示方法,简称“平法”制图。
采用整体表示方法绘制结构布置平面图,是把结构构件的尺寸和配筋等信息表示在各类构件的结构平面布置图上,再与标准构造详图相配合,构成一套新型完整的结构施工图。
“平法”制图主要用于绘制钢筋混凝土结构的柱、剪力墙、梁构件的结构施工图。
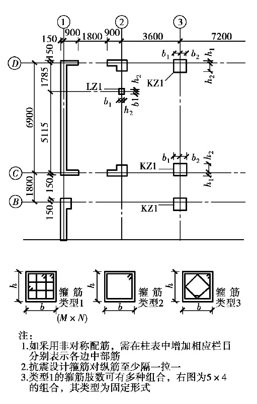
(1)柱平法施工图柱平法施工图可以采用列表注写方式或截面注写方式绘制,它可以将柱的配筋情况直观地表示出来。这两种绘图方式均要对柱按其类型进行编号,编号由类型代号和序号组成,编号的含义见图2.20中的柱表。如KZ10
表示第10种框架柱,而QZ03表示第3种剪力墙上的柱。
①列表注写方式:列表注写方式采用结构层高表和柱表表示柱的尺寸及配筋。在柱平面布置图上,分别在同一编号的柱中选择一个(有时需要选择几个)截面标注几何参数代号,在柱表中注写柱号、柱段起止标高、几何尺寸(含柱截面对轴线的偏心情况)与配筋的具体数值,并配以各种柱截面形状及其箍筋类型图,从而构成柱平法施工图,如图2.20所示。


