《模板工》 | 任务2 建筑识图(二)
图2.20是轴线B~D及轴线1~3范围柱的平法施工图,该结构柱的断面尺寸和配筋值随高度变化而变化,采用列表形式辅助表示其对应的数值。在图名中,写有该施工图适用的范围,如本图适用标高为-0.030~59.070m的柱。图左边的标高、层高表表达了该建筑包括地下和地上各层的结构层楼(地)面标高、结构层高及相应的结构层号。表中粗线突出表示本施工图对应的结构楼层号。该建筑是1幢地上18层、地下2层的建筑,层顶高度是65.7m,大部分楼层的层高为3.6m,而本施工图表示的是从1~16层的柱,标高为-0.030~59.070m。
②断面注写方式:断面注写方式省去柱表,在柱平面布置图上同一编号的柱中选择一个,画出其断面简图,直接在断面边上标注断面尺寸和配筋的数量。柱断面图采用放大的比例绘制,如图2.21所示,以便表达其尺寸和标注配筋。如KZ1断面图旁注有650mm×600mm(550mm×500mm),说明在标高19.470~37.470m范围内,KZ1的断面尺寸为650mm×600mm,括号内数字对应的是图名中带括号的标高(37.470~59.070m)柱的断面尺寸,说明在这个范围内,柱断面尺寸为550mm×500mm。同理,在其他的尺寸标注和配筋说明中,均有带括号的数字,对应的也是带括号的标高范围内柱的尺寸。
从图名可以看出,该图表示某建筑第6~16层的柱平面布置图和配筋图。在结构楼层表中,这段楼层用粗实线注明。
在截面注写方式中,对每根柱相对于定位轴线放置的位置,都要予以明确,这和列表注写方式完全一样,所不同的是截面注写方式可直接画在图上,相同编号的柱如果只有一种放置方式,就可只标注一个。
(2)梁平法施工图梁平法施工图是将梁按一定规律编写代号,并将各种代号的梁的配筋直径、数量、位置和代号注写在梁平面布置图上。通常采用平面注写方式。
平面注写方式,系在梁平面布置图上,分别在不同编号的梁中各选一根梁,在其上注写断面尺寸和配筋的具体数值,如图2.22所示,而不需要再画出如图2.23所示传统的梁断面配筋图。




平面注写方式包括集中标注与原位标注,集中标注表达梁的通用数值,原位标注表达梁的特殊数值。当集中标注中的某项数值不适用于梁的某部位时,则将该项数值原位标注,原位标注取值优先。
集中标注的内容主要是标注梁编号、梁断面尺寸、梁箍筋、梁上部通长筋或架立筋、梁侧面纵向构造钢筋或受扭钢筋以及梁顶面标高高差等。
①梁编号由梁类型代号、序号、跨数及有无悬挑的代号几项组成,其含义见表2.5。如DL2(3A)表示该梁为框架梁,序号为2,共有3跨,且一端带有悬挑。

②梁断面尺寸,当为等断面梁时,用b×h表示,300×650表示这根梁宽300mm,高650mm。当为加腋梁时,用b×hYC1×C2表示,其中C1为腋长,C2为腋高,如图2.24所示。
当为悬挑梁且根部和端部高度不同时,用斜线分割根部与端部的高度,即为b×h1/h2,其中h1为根部高度,h2为端部高度,如图2.25所示。


③梁顶面标高高差,指梁顶面相对于结构层楼面标高的差值,写在括号内,此项为选注值。如(-0.100)表示该梁顶面比楼面标高低0.100m;(+0.150)则表示该梁顶面比楼面标高高0.150m;若无高差,则无此项内容。
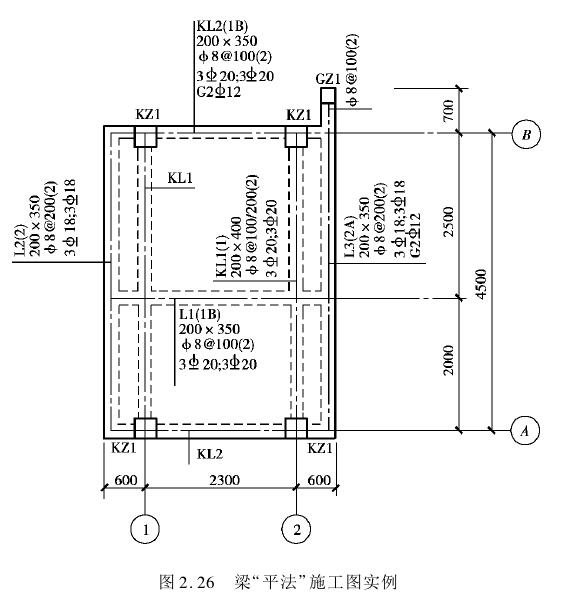
图2.26为梁平法施工图平面注写方式的实例。

一层面梁的平法配筋图,全部采用集中标注。例如,图中最上方的集中标注,其意义为:
“KL2”表示序号为2的框架梁。
“(1B)”表示一跨且两端带有悬挑。
“200×350”表示梁断面为200mm×350mm的矩形断面。
“8@100(2)”表示箍筋为直径8mm的Ⅰ级钢筋,中心间距100mm,两肢箍。
“3φ20;3φ20”表示梁上部和下部均为3根直径20mm的Ⅱ级通长钢筋。
“G2φ12”表示2根直径为12mm的Ⅱ级构造钢筋,每侧1根。